08-27-2012, 03:56 PM
|
#1
|
|
Registered User
Join Date: Mar 2010
Location: canada
Posts: 445
|
Rubber sleeve for air tubes?!?!
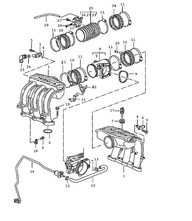
I have a 2001 base and am having an issue with a rubber sleeve that is on the resonance tube. It has a sizable tear in it which is causing a vacuum leak and all sorts of issues. I ordered the part from the stealership because it will come faster and cheaper shipping than if I ordered anywhere else. The stealership sent me the rubber sleeve without the nipple and when I told him that he sent me the wrong sleeve because I needed one with a nipple that has the tube from the fuel pressure regulator plugged into it he told me that the rubber sleeves should be on either sides of the plenum and that the regular sleeves without the holes are on either side of the resonance tube. I told him this could not be because my car has been like it since I bought it 2 years ago and has been worked on several times and not only that but the tube running from the fuel pressure regulator would be too short to reach the sleeve if it was on the intake plenum. Can someone shine some light on this?
That is a picture of what the parts guy was telling me it should look like.
|
|
|
08-27-2012, 04:22 PM
|
#2
|
|
Registered User
Join Date: Nov 2011
Location: North NJ
Posts: 269
|
The rubber sleeves shouldn't have any nipples to my knowledge. So your saying that part 12 is connected to sleeve 10 on your car? and it also sounds like your a ways away from the dealer to go and show them your broken sleeve. On my 2000 base 12 is connected to my throttle body and it also has a connection to the air oil separator.
|
|
|
08-27-2012, 06:03 PM
|
#3
|
|
Registered User
Join Date: Mar 2010
Location: canada
Posts: 445
|
Quote:
Originally Posted by Bmod986
The rubber sleeves shouldn't have any nipples to my knowledge. So your saying that part 12 is connected to sleeve 10 on your car? and it also sounds like your a ways away from the dealer to go and show them your broken sleeve. On my 2000 base 12 is connected to my throttle body and it also has a connection to the air oil separator.
|
You're close the part that I am referring too that is the "rubber sleeve" are 28 and 10 where in my car there are swapped places and a hose runs from the fuel pressure regulator to 10 where that plug looks like it is going in the photo. That's why I am confused, for my car 10 and 28 are swapped and couldn't be like the picture because the tube isn't long enough to reach anywhere else... does anyone have or know where I can see a picture of a 2001 base engine? I looked on wayne's pages on pelican and get see a clear picture of a 2001 boxster but the ones I do see look similar to my current setup... very frustrating as I am suppose to go out of town in 3 days and am suppose to be driving :troll:
|
|
|
08-27-2012, 06:29 PM
|
#4
|
|
Registered User
Join Date: Dec 2006
Location: Santa Barbara, CA
Posts: 308
|
Quote:
Originally Posted by coolbreeze551
You're close the part that I am referring too that is the "rubber sleeve" are 28 and 10 where in my car there are swapped places and a hose runs from the fuel pressure regulator to 10 where that plug looks like it is going in the photo. That's why I am confused, for my car 10 and 28 are swapped and couldn't be like the picture because the tube isn't long enough to reach anywhere else... does anyone have or know where I can see a picture of a 2001 base engine? I looked on wayne's pages on pelican and get see a clear picture of a 2001 boxster but the ones I do see look similar to my current setup... very frustrating as I am suppose to go out of town in 3 days and am suppose to be driving :troll:
|
I have 2001 base model.
is the pipe you're referring to by the power steering resoviour cap and attaching to the back tube right above the lower intake manifold?
|
|
|
08-28-2012, 08:09 AM
|
#5
|
|
Registered User
Join Date: Mar 2010
Location: canada
Posts: 445
|
Yes, it is right by the power steering fluid cap. One end connects to the fuel pressure regulator and the other to the rubber sleeve that is hose clamped to the intake manifold. Hopefully the part is here tomorrow so I can drive out of town. I am also having a smoke test done tomorrow for vacuum leaks so that should let me know if it is just the sleeve leaking or I have other culprits involved as well.
|
|
|
09-01-2012, 02:14 PM
|
#6
|
|
Registered User
Join Date: Mar 2010
Location: canada
Posts: 445
|
Had the car in the indy shop on Wednesday and they pulled the code p0410 and p0411 and replaced the rubber sleeve. They told me that there is still an irregular idle and that it could be the throttle body or idle control valve that is effecting it and further investigation is needed. I had the engine cover off and noticed what sounded like a hissing noise like an air leak by the manifold but there is so much other noise when the engine is running that I can't pinpoint where exactly it is. Can anyone recommend something that I can do to try and find where that hissing noise is coming from. I heard about spraying carburetor cleaner where a possible leak could be when the engine is on and cold and listen for a change in idle. Has anyone done that or have any other suggestions for me? TIA
|
|
|
09-01-2012, 06:26 PM
|
#7
|
|
Registered User
Join Date: May 2011
Location: Miami florida
Posts: 1,591
|
first of all, 2001s do not have an idle control valve, its a fly by wire throttle body. Sounds like you have a vacuum leak. I would go back to the dealer with your old part and have them replace it with one that is identical and then go from there.
__________________
Current car
2000 Boxster 2.7l red/black
Previous cars
1973 Opel Manta
1969(?) Fiat 850 Convertible
1979 Lancia Beta Coupe
1981 Alfa Romeo GTV 6
1985 Alfa Romeo Graduate
1985 Porsche 944
1989 Porsche 944
1981 Triumph TR7
1989 (?) Alfa Romeo Milano
1993 Saab 9000
|
|
|
10-28-2018, 01:53 AM
|
#8
|
|
Registered User
Join Date: Oct 2018
Location: Warwick, UK
Posts: 2
|
Hello, I have the same issue of swapped rubber sleeves. 28s where should be 10s and 10s where should be 28s. Car hasn’t been touched. Is the catalogue wrong? Can someone help?
|
|
|
10-28-2018, 07:03 AM
|
#9
|
|
Artist, 986S tinkerer
Join Date: Aug 2013
Location: Montreal, Canada
Posts: 1,821
|
With the motor running, take a can of starter fluid and spray it on the connections/hoses where you suspect a vacuum leak. If the idle rises, you’ve found the culprit!
Depending on the model year, I think these sleeves can be in different locations.
__________________
James now has: 2008 987S 6 speed
Crashed: 2010 987.2 pdk in speed yellow! 
Sold to a cool racer chick: 2004 986 S
YouTube channel: the PORSCHE as seen by NewArt
www.youtube.com/channel/UCohdrH2xHTklM1thxk0KKOQ?
|
|
|
10-28-2018, 12:17 PM
|
#10
|
|
Registered User
Join Date: Oct 2018
Location: Warwick, UK
Posts: 2
|
Quote:
Originally Posted by NewArt
With the motor running, take a can of starter fluid and spray it on the connections/hoses where you suspect a vacuum leak. If the idle rises, you’ve found the culprit!
Depending on the model year, I think these sleeves can be in different locations.
|
Thanks for your reply. 👍🏼
|
|
|
10-28-2018, 03:10 PM
|
#11
|
|
Registered User
Join Date: Aug 2009
Posts: 1,466
|
I'm not 100% on the 2001, but the 2003 that nipple connects to a Tee under the manifold one tube goes to the exhaust gas valve on the right bank the other end goes to the damper on the front crossover tube and a vacuum sensor on the left bank. There should be one tube with the nipple and three without.
__________________
2003 Black 986. modified for Advanced level HPDE and open track days.
* 3.6L LN block, 06 heads, Carrillo H rods, IDP with 987 intake, Oil mods, LN IMS. * Spec II Clutch, 3.2L S Spec P-P FW. * D2 shocks, GT3 arms & and links, Spacers front and rear * Weight reduced, No carpet, AC deleted, Remote PS pump, PS pump deleted. Recaro Pole position seats, Brey crouse ext. 5 point harness, NHP sport exhaust
|
|
|
10-28-2018, 03:22 PM
|
#12
|
|
Artist, 986S tinkerer
Join Date: Aug 2013
Location: Montreal, Canada
Posts: 1,821
|
Quote:
Originally Posted by jsceash
I'm not 100% on the 2001, but the 2003 that nipple connects to a Tee under the manifold one tube goes to the exhaust gas valve on the right bank the other end goes to the damper on the front crossover tube and a vacuum sensor on the left bank. There should be one tube with the nipple and three without.
|
Sounds about right. My 2001 had the nipple in the position shown in the above picture. My 2004 (rest it’s soul) has the vacuum nipple on the rear right collar.
__________________
James now has: 2008 987S 6 speed
Crashed: 2010 987.2 pdk in speed yellow! 
Sold to a cool racer chick: 2004 986 S
YouTube channel: the PORSCHE as seen by NewArt
www.youtube.com/channel/UCohdrH2xHTklM1thxk0KKOQ?
|
|
|
Posting Rules
|
You may not post new threads
You may not post replies
You may not post attachments
You may not edit your posts
HTML code is On
|
|
|
All times are GMT -8. The time now is 06:28 PM.
| |