07-26-2013, 06:12 PM
|
#1
|
|
Registered User
Join Date: Dec 2007
Location: Seattle
Posts: 735
|
My first Question, Bleeder Valve?
I have been a member of the forum since 2007 and to my recollection, I don't think I have ever asked about anything as of yet.
Well, that is about to change. Here is what I ran into today when I took apart my coolant tank bleeder valve.
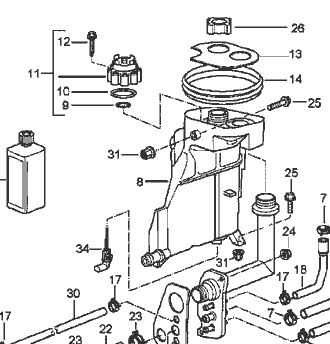
I have been getting condensation on the underside of the trunk lid forever. I replaced the coolant cap with the updated one and I was still getting condensation. I pulled up the cover flap that goes around the fill caps and saw that there was some white/pink dried residue around the bleeder valve flange and said aha, thats where the leakage is coming from. So I research the parts diagrams which show that there are 2 O-rings under the bleeder valve. So I order them and take it apart today. Item #9 and #10 in the diagram.
I get it all apart and guess what, no O-rings. Instead it has a molded rubber part that fits over the inner plunger and extends out to the flange of the bleeder valve cover.
I check the parts list and it says that it has been superseded by part #99610634702 . When I click on the superseded part number it shows as the coolant reservoir cap, not the bleeder valve,
So, thats where I am at.
Is there a superseded bleeder valve gasket that I can't find?
Do I have some sort of aftermarket coolant tank/bleeder valve assembly?
Do I just slap some sealer on the flange and put it all back together?
__________________
2000S Ocean Blue Metallic- 116K
3X Water Pump, Clear side markers, Crios Mod, Front engine mount, Flywheel, clutch, RMS, AOS, MAF, serpentine belt, power brake vacuum line, battery, 2X CV boots, Fuel filter, Oil filler tube, 3X ignition switch, 90K service, gas cap, Coolant tank
|
|
|
07-26-2013, 06:36 PM
|
#2
|
|
Registered User
Join Date: Aug 2004
Location: Alta Loma, CA
Posts: 1,334
|
Shoot a pic of the top of the tank.
What part numbers did you actually order?
__________________
Engine Builds, Transmission Builds, Engine Conversions, Suspension Installs, Suspension Tuning, Driver Coaching, Data Acquisition, Video, SCCA/PCA/POC/NASA/GRAND AM/ALMS.
We have worked with amateur and professional drivers for over 26 years. In house machinist, In house fabrication. Our cars, our parts, our engines, our transmission's run nationwide at events every weekend. We work side by side with industry names developing parts.
|
|
|
07-26-2013, 06:55 PM
|
#3
|
|
Registered User
Join Date: Dec 2007
Location: Seattle
Posts: 735
|
I had my independent shop order the O-rings in since the shipping on them would have been more than the cost of the O-rings if I had ordered them online. The part numbers and description match the ones in the parts diagram. Here's a pic of the tank top.
__________________
2000S Ocean Blue Metallic- 116K
3X Water Pump, Clear side markers, Crios Mod, Front engine mount, Flywheel, clutch, RMS, AOS, MAF, serpentine belt, power brake vacuum line, battery, 2X CV boots, Fuel filter, Oil filler tube, 3X ignition switch, 90K service, gas cap, Coolant tank
|
|
|
07-27-2013, 05:57 AM
|
#4
|
|
Registered User
Join Date: Dec 2007
Location: Seattle
Posts: 735
|
After doing some more research, it appears that the O-rings are part of the connection between the bleeder valve housing and the coolant tank, and are not part of the bleeder valve cover. It is hard to tell what is what, when you are looking at the parts diagram. So it looks like I have answered my own question.
The experts on the forum have failed me.
__________________
2000S Ocean Blue Metallic- 116K
3X Water Pump, Clear side markers, Crios Mod, Front engine mount, Flywheel, clutch, RMS, AOS, MAF, serpentine belt, power brake vacuum line, battery, 2X CV boots, Fuel filter, Oil filler tube, 3X ignition switch, 90K service, gas cap, Coolant tank
|
|
|
07-27-2013, 11:14 AM
|
#5
|
|
Registered User
Join Date: Aug 2004
Location: Alta Loma, CA
Posts: 1,334
|
I asked for the part numbers.. because I thought YOU or the shop ordered the wrong parts!! lol I typically try not to pull down the pants of the owner or the shop in public
__________________
Engine Builds, Transmission Builds, Engine Conversions, Suspension Installs, Suspension Tuning, Driver Coaching, Data Acquisition, Video, SCCA/PCA/POC/NASA/GRAND AM/ALMS.
We have worked with amateur and professional drivers for over 26 years. In house machinist, In house fabrication. Our cars, our parts, our engines, our transmission's run nationwide at events every weekend. We work side by side with industry names developing parts.
|
|
|
07-27-2013, 05:44 PM
|
#6
|
|
Registered User
Join Date: Dec 2007
Location: Seattle
Posts: 735
|
OK, here is the final installment.
If you have been having problems with condensation on the inside of the trunk lid, even after changing the coolant tank cap to the updated one, it might be the O-ring seals under the bleeder valve. I could see a lot of white and pink dried residue around the base of the bleeder valve even after rinsing it off occasionally. After you take the bleeder valve cap off, you have to pry up the lower housing to get to the O-rings. When I first took off the cap, the housing looked like part of the whole assembly that contains all of the filler caps since it was the same color. I found a post on RennTech that explained what was going on. The O-rings that I took out were soft and mushy, so we will see if this will solve the condensation issues.
If you decide to do this job, be careful when you put the screws back in. You are threading them back into plastic and you can strip and or cross thread the screws very easily. A trick I learned a long time ago to to help avoid cross threading a screw in soft material, is to turn the screw backwards until you feel the first thread pop into place, then start tightening it. The coarse thread self tapping screws have a tendency to start biting into the plastic wherever they are started and end up crossthreaded, which will weaken the plastic and lead to a stripped out hole. You don't want to have to change a coolant tank also. The posts about changing the tank out don't sound like something you want to do unless you absolutely have to.
__________________
2000S Ocean Blue Metallic- 116K
3X Water Pump, Clear side markers, Crios Mod, Front engine mount, Flywheel, clutch, RMS, AOS, MAF, serpentine belt, power brake vacuum line, battery, 2X CV boots, Fuel filter, Oil filler tube, 3X ignition switch, 90K service, gas cap, Coolant tank
|
|
|
07-27-2013, 05:51 PM
|
#7
|
|
Registered User
Join Date: Dec 2007
Location: Seattle
Posts: 735
|
Quote:
Originally Posted by Brad Roberts
I asked for the part numbers.. because I thought YOU or the shop ordered the wrong parts!! lol I typically try not to pull down the pants of the owner or the shop in public 
|
And this is for you, Brad
__________________
2000S Ocean Blue Metallic- 116K
3X Water Pump, Clear side markers, Crios Mod, Front engine mount, Flywheel, clutch, RMS, AOS, MAF, serpentine belt, power brake vacuum line, battery, 2X CV boots, Fuel filter, Oil filler tube, 3X ignition switch, 90K service, gas cap, Coolant tank
|
|
|
07-27-2013, 06:07 PM
|
#8
|
|
Registered User
Join Date: Aug 2004
Location: Alta Loma, CA
Posts: 1,334
|
Good job!!
I have seen a ton of this on customer cars!!
__________________
Engine Builds, Transmission Builds, Engine Conversions, Suspension Installs, Suspension Tuning, Driver Coaching, Data Acquisition, Video, SCCA/PCA/POC/NASA/GRAND AM/ALMS.
We have worked with amateur and professional drivers for over 26 years. In house machinist, In house fabrication. Our cars, our parts, our engines, our transmission's run nationwide at events every weekend. We work side by side with industry names developing parts.
|
|
|
04-12-2014, 09:55 AM
|
#9
|
|
Registered User
Join Date: Apr 2012
Location: Riverside, CA
Posts: 1,666
|
Thanks spinaker I have just started having this problem and your fix will be implimented ASAP.
Thanks for documenting it.
Also , now that you have driven it for a while, can you confirm the issue stayed resolved or was there some other contributing issue?
__________________
"It broke because it wants to be Upgraded  "
2012 Porsche Performance Driving School - SanDiego region
2001 Boxster S, Top Speed muffler, (Fred's) Mini Morimotto Projectors, Tarret UDP,
Short Shifter, Touch Screen Dual Din Radio, 03 4 Bow glass Top (DD & Auto-X since May 17,2012)
|
|
|
04-12-2014, 07:23 PM
|
#10
|
|
Registered User
Join Date: Nov 2013
Location: PA
Posts: 299
|
As I said in my post Spinnaker, Thanks for documenting this, it certainly helped me.
__________________
2004 Boxster S
|
|
|
05-15-2016, 01:42 PM
|
#11
|
|
Registered User
Join Date: Mar 2015
Location: San Juan
Posts: 3
|
Hi guys! I am on the situation here but don't see if it was finally solved.
Anyone can confirm this?
And thanks for all the information here!
No pants down though... ;-)
Sent from my SAMSUNG-SM-G530AZ using Tapatalk
|
|
|
11-16-2017, 12:32 PM
|
#12
|
|
So Blessed!
Join Date: Nov 2016
Location: SE Georgia
Posts: 389
|
When I noticed coolant condensation on my engine deck lid, I checked and found a small amount of coolant residue around the base of the relief valve. After removing and cleaning it well, I removed the two seals and turned them over and reinstalled the valve. That stopped the condensation.....I wouid recommend doing that first.
__________________
Artic Silver Boxster S - Black Leather - Black Top - Convience Plus Package
|
|
|
Posting Rules
|
You may not post new threads
You may not post replies
You may not post attachments
You may not edit your posts
HTML code is On
|
|
|
All times are GMT -8. The time now is 06:54 PM.
| |